брезентовая ДЗ вышла из чата?
Я почти не видел её на БВМ
СИЛА РОССИИ. Форум сайта «Отвага» (www.otvaga2004.ru) |
Привет, Гость! Войдите или зарегистрируйтесь.
Вы здесь » СИЛА РОССИИ. Форум сайта «Отвага» (www.otvaga2004.ru) » Бронетанковая техника » Боевое применение техники - 14
брезентовая ДЗ вышла из чата?
Я почти не видел её на БВМ
есть весь пдф картинки?
посмотрю как с работы приду.
наброшу,
у нас с обычными то химсоставами очень не очень, а с новыми - вообще плохо в плане серийного производства
оборудования производства "продукта" нет, и не производится с 60-70 годов
пытаются поставить на ноги, но с покачто с классическим подходом РосПил и Осколково
Тут вы и правы и нет. На самом деле ВСЁ оборудвание для боевых жиж у нас делается, там ничего экстрасложного нет. Насчет химии да - у нас ОГРОМНАЯ черная дыра со спецхимией. Мало того что почти все угробили в Дзержинске (и большей части Алтайхимпрома) так еще продолжают сейчас добивать пр-ва и НИИ.
неудачная атака нашей танковой роты в лоб на ВОП, по заминированному участку,
У нас вообще за идиотизм будут кого то - сажать , лишать звания я хз. Вот пример брифинг 3,14здашенкова - уничтожен мост под одессой - фото посмотрел даже рельсовое полотно целое. Что мешало запустить еще ракету чтобы мост булькнулся в воду издав огромный плюх.
Короче я думаю в МО РФ нужно ввести новое звание - ебнерал
Короче я думаю в МО РФ нужно ввести новое звание - ебнерал
а как радо вались то как радовались когда мебельщика погнали. Взамен получили вот таких, кто заметает все под ковер.
Я почти не видел её на БВМ
картинка чисто для иллюстрации, ракурс по моему неплохой. вообще просто не видно кадрах из зоны БД
На самом деле ВСЁ оборудование для боевых жиж у нас делается,
конечно... есди только емкости и тара, конвееры и весы
не этой темы обсуждение, но раз уж зашло про химсоставы...
оборудование производства трубчатого, зерненого продуктов - нет. последний выпуск - 60-70 годы.
так же как и с бумажным производством - мельниц, дробилок, фильтров - нет, причем зачастую уже даже чертежей нет.
пресс смеситель - ключевой механизм, но его изготовить сейчас очень тяжело, все что есть - задел тех же годов.
новые технологии производства упираются в такие толоконные лбы, такую броню бюрократии и недоразум ответственных товарищей, что диву даешься
когда на завод выделяются суммы = 2-3 квартирам в Москве и ради этого еще и дикий торги, прения идут...откаты обязательно. не по себе становится
и да, для многих - это просто бизнес и ничего более, причем в формате купил-продал-забылвсе что есть - абсолютно ручной труд даже не механизированный в основном.
Отредактировано Radist (2022-04-27 09:33:26)
есть весь пдф картинки?
Тут ссыль сразу на пдф что где и как горит, взрывается и т.д. Ссылка
конечно... есди только емкости и тара, конвееры и весы
не этой темы обсуждение, но раз уж зашло про химсоставы...
оборудование производства трубчатого, зерненого продуктов - нет. последний выпуск - 60-70 годы.
так же как и с бумажным производством - мельниц, дробилок, фильтров - нет, причем зачастую уже даже чертежей нет.
пресс смеситель - ключевой механизм, но его изготовить сейчас очень тяжело, все что есть - задел тех же годов.Отредактировано Radist (Сегодня 09:33:26)
не ваша правда уважаемый. конечно мы часть компетенций просрали при вовочке, а часть и в СССР завозили из за бугра (реакторы полимеризации этилена к примеру), но сейчас теже смесители, мельницы и дробилки... ну откройте сайты пр-ей хим оборудования и посмотрите что да как, крое того, ну к примеру, пр-во взрывчатки - автоклавы, эмаль, и колонны + выпарные установки контактные или вакуумные. ЗИС и БОЗ (ЗИС рулит БОЗом, туда гексоген и тротил передали)



Тут ссыль сразу на пдф что где и как горит, взрывается и т.д. Ссылка
Everything Has Its Place
спаасибо
Неудачная атака нашей танковой роты в лоб на ВОП, по заминированному участку, много подбитых (Т-72Б3, "козырьки", метнувших башню нет)
А у нас там вообще как то тралы используются, я видел кучу КМТ-8 (и то как для "понта") и один ТМТ-К на 80БВ, а с КМТ-7 ни одного...
ИВАНОВ написал(а):
Неудачная атака нашей танковой роты в лоб на ВОП, по заминированному участку, много подбитых (Т-72Б3, "козырьки", метнувших башню нет)
на лосте говорят месяц назад, там зелень уже такая была?
Да это просто используют ту запись для патриотической постановки как в 100 метрах от дота остановили танк. У танк который они выдают за самый на малом блоке ДЗ (1 слева от пушки походу ) нет буквы Z в отличии от показанного с квадрика. Изображают что типа на передовой а сами бронники поленились одеть- бесстрашные. Интересно как они год выпуска танка определили?
Отредактировано kayman4 (2022-04-27 18:19:32)
Трофейная бвмка
Да это просто используют ту запись для патриотической постановки как в 100 метрах от дота остановили танк. У танк который они выдают за самый на малом блоке ДЗ (1 слева от пушки походу ) нет буквы Z в отличии от показанного с квадрика. Изображают что типа на передовой а сами бронники поленились одеть- бесстрашные. Интересно как они год выпуска танка определили?
Отредактировано kayman4 (Сегодня 18:19:32)
Кстати соглашусь (только сейчас хохловидео посмотрел, обычно нет). Как то странно все выглядит. "от тех танчиков 50 метров до наших (РФ) позиций" - тут с такого расстояния снайпер снял бы как нехер. + репоры без броников, да и один укроп. То есть "до тех танков" метров 100 + 50 до позиций РФ сорри но тут спец из АК с оптикой снимет этих дятлов...ну опять же кто знает как и где было на самом деле
не ваша правда уважаемый. конечно мы гексоген и тротил передали)
знаю отрасль изнутри,
дальше продолжать полемику в виде "открыть сайт" бессмысленно
Трофейная бвмка
А там и АС на канале, "блестящее" планирование, ну а мы хоть увидели, что в БК есть инвар, не мифическая вещь.
один интересный момент - автоматического щитка, защищающего от попадания посторонних предметов под МП нет
а он введен еще в 1984, по идее РВ таких быть в принципе не должно...
РВ
один интересный момент - автоматического щитка, защищающего от попадания посторонних предметов под МП нет
я сильно сомневаюсь что у нас при модернизации кто то заботится вопросами приведения танка к образцу такого то года/к соответствию с какой либо КД, иначе на 72х надо и крышу усиливать(что вызывает веселые вопросы о проверке ВДЗ и ее воздействии на крышу ОУ), и на всех 80ках вводить все что было сделано
т.е наверняка как машина добралась до модернизации, так и "обновляют", а то что по пути деталей недобрали, так кто про это знает то. опуская конечно что сам экипаж зачем то снял/сломал
по видео занятно что упоминается мол встречались машины полностью забитые ракетами, и якобы с ОФС без взрывателей
Отредактировано Wiedzmin (2022-04-27 20:06:43)
я сильно сомневаюсь что у нас при модернизации кто то заботится вопросами приведения танка к образцу такого то года
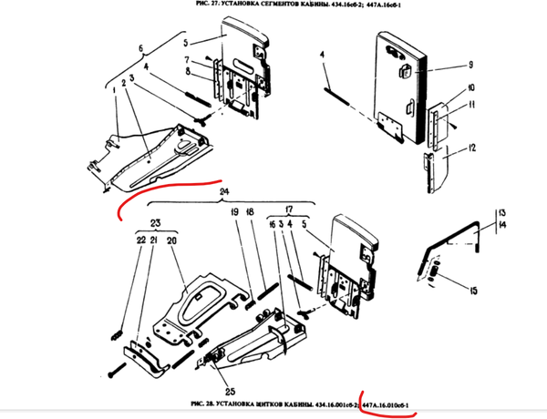
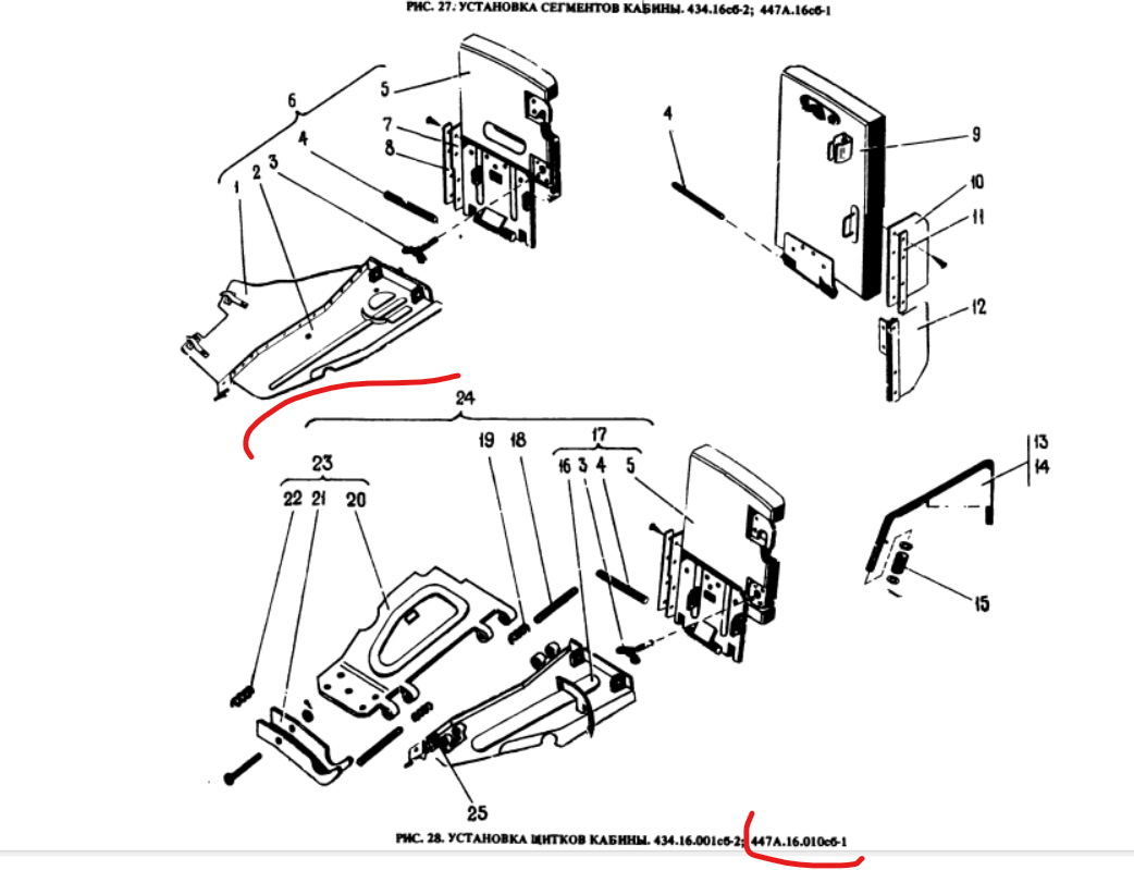
Ну нее, у этих деталей есть номер сборочной единицы, военпред не пропустит) 16 группа относится к кабине как раз, к сожалению в требованиях на ремонт сказано только это
А сам щиток-то съемный, просто удивило его отсутствие вместе со створкой, проблема с МЗ? Кто в здравом уме будет его снимать, делать нечего чтоль
Отредактировано PawelTu (2022-04-27 21:33:43)
Ну нее, у этих деталей есть номер сборочной единицы, военпред не пропустит) 16 группа относится к кабине как раз, к сожалению в требованиях на ремонт сказано только это
ну на фотках что постил ув.MARINIR было так
Для безтележных, то же видео с Фарой трехой и восьмидесяткой.
ну на фотках что постил ув.MARINIR было так
Да-да так и должно быть) Поэтому есть подозрение на отказ МЗ
Ну а вообще, мнение не поменял - БВМ на месте НО полный колхоз. ВСУ закрывает дублер, дублер быстросъемным бы сделать(байонетное крепление как на фотоаппаратах например), хватило ума выкинуть 1Г42, но поставить сосну чтоб левым глазом смотреть...а по оси глаз ВСУ с дублером 
Отредактировано kulikov (2022-04-27 22:08:00)
Ну а вообще, мнение не поменял - БВМ на месте НО полный колхоз. ВСУ закрывает дублер, дублер быстросъемным бы сделать(байонетное крепление как на фотоаппаратах например), хватило ума выкинуть 1Г42, но поставить сосну чтоб левым глазом смотреть...а по оси глаз ВСУ с дублером
убрать ГТН снаружи, но не повесить на ее место ДЗ, там да, вопросов вагон и тележка
убрать ГТН снаружи, но не повесить на ее место ДЗ, там да, вопросов вагон и тележка
Это точно, в целом машина халтура, подход формальный, как и в общем по стране и по войне.
Плюс машины - свежая, сосна в комплексе в целом неплоха.
а как радо вались то как радовались когда мебельщика погнали. Взамен получили вот таких, кто заметает все под ковер.
Прогнали и хорошо. Теперь ОАК валит. Васильева гуляет на свободе довольная. Кто то на передке видел представителей КАМАЗа УВЗ ЯМЗ которые бы ремонтировали технику?
Тувинец тоже молорик, сделал из армии какой то "аттракцион" в виде "патриотов" биатлонов и т.п. не говоря о учениях по методам ВОВ - арт удар - вперед всей толпой...нуу
А табуретка свое дело сделал, Вощину-2 закрыл, ГМП и шины закрыл - это его заветы и поповкина - мы будем полагаться на импорт. Ну что как там камаз Евро-0 скоро начнет выпускать по "заветам табуретки"?
Отредактировано PawelTu (Вчера 23:33:43)
впечатляет как резво укатывается БМП назад. Ну и снова про орудие, 30мм говорите?
если машину при этом еще можно восстановить, то да
вы вообще в своем уме? ОФС при детонации разрывает танк.
а не на какую то там бредовую безопасность экипажа, которая сама по себе по факту повысится в процессе
не повысится. Вам ура-патриотизм заменяет мозги однако. Признать что кто то может придумать лучше чем у нас вы не в состоянии. И при этом вы забываете, что у ВС РФ для сегодняшней операции не хватает людей.
впечатляет как резво укатывается БМП назад. Ну и снова про орудие, 30мм говорите?
Это еще интересно каким снарядом она такое вытворяет. Если это старый, то впечатляет.
Признать что кто то может придумать лучше чем у нас вы не в состоянии.
у вас статистика есть ? вот как появится покажите.
Вам ура-патриотизм заменяет мозги однако.
в лозунги однако скатились пока что только вы почему то.
вы вообще в своем уме? ОФС при детонации разрывает танк.
я да, а вы ? или вы читать не умеете ? если вы конструктивно обеспечите прерывание передачи детонации и снизите вообще саму вероятность, то в итоге и последствия у вас будут другие
Виден торец ВЛД, там два листа СТБ ?
это Ашка скорее, башня так снята что не понятно есть там ниши наполнителя или нет если честно
Это еще интересно каким снарядом она такое вытворяет. Если это старый, то впечатляет.
Внутри БМП в случае прострела он бахнет так же впечатляюще.
Вы здесь » СИЛА РОССИИ. Форум сайта «Отвага» (www.otvaga2004.ru) » Бронетанковая техника » Боевое применение техники - 14